Магазин запчастей для бытовой техники - Arlos
Москва
close
Выберите ваш регион
АбаканАлександровАльметьевскАнгарскАрзамасАрмавирАртемАрхангельскАстраханьАчинскБалаковоБалашихаБеларусьБелгородБердскБерезникиБийскБлаговещенскБратскБрянскВеликий НовгородВидноеВладивостокВладикавказВладимирВолгоградВолгодонскВолжскийВологдаВолховВоркутаВоронежВоскресенскВыборгГатчинаГеленджикГрозныйДедовскДербентДзержинскДзержинскийДимитровградДмитровДолгопрудныйДомодедовоДонецкЕвпаторияЕгорьевскЕкатеринбургЕлецЕссентукиЖелезногорскЖелезнодорожныйЖуковскийЗеленоградЗлатоустИвановоИвантеевкаИжевскИркутскИстраЙошкар-ОлаКазаньКалининградКалугаКаменск-УральскийКамышинКаспийскКемеровоКерчьКировКисловодскКлинКовровКоломнаКомсомольск-на-АмуреКопейскКоролёвКостромаКотельникиКрасногорскКраснодарКраснознаменскКрасноярскКурганКурскКызылЛенинск-КузнецкийЛипецкЛобняЛыткариноЛюберцыМагнитогорскМайкопМалаховкаМахачкалаМиассМоскваМурманскМуромМытищиНабережные ЧелныНазраньНальчикНаро-ФоминскНахабиноНаходкаНевинномысскНефтекамскНефтеюганскНижневартовскНижнекамскНижний НовгородНижний ТагилНовокузнецкНовокуйбышевскНовомосковскНовороссийскНовосибирскНовоуральскНовочебоксарскНовочеркасскНовошахтинскНовый УренгойНогинскНорильскНоябрьскОбнинскОдинцовоОктябрьскийОмскОрелОренбургОрехово-ЗуевоОрскПавловский ПосадПензаПервоуральскПермьПетрозаводскПетропавловск-КамчатскийПодольскПрокопьевскПсковПушкиноПятигорскРаменскоеРеутовРостов-на-ДонуРубцовскРыбинскРязаньСакиСалаватСамараСанкт-ПетербургСаранскСаратовСевастопольСеверодвинскСеверскСергиев ПосадСерпуховСимферопольСмоленскСосновый БорСочиСтавропольСтарый ОсколСтерлитамакСтупиноСургутСызраньСыктывкарТаганрогТамбовТверьТихвинТольяттиТомилиноТомскТроицкТулаТюменьУлан-УдэУльяновскУссурийскУсть-ИлимскУфаУхтаФеодосияФрязиноХабаровскХанты-МансийскХасавюртХимкиЧебоксарыЧелябинскЧереповецЧеркесскЧеховЧитаШахтыЩелковоЭлектростальЭлистаЭнгельсЮжно-СахалинскЯкутскЯлтаЯрославль
  • - бесплатно по РФ
    Автоперезвон. Работает по принципу: Вы позвонили на номер, мы сбрасываем звонок и перезваниваем через 3 секунды.
  • - по Москве
  • 8 (925) 663-83-63

Call-центр

пн-вс: 10:00-19:00

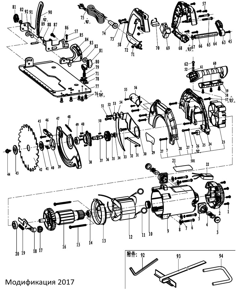
ЗАПЧАСТИ ДЛЯ ПИЛЫ ЦИРКУЛЯРНОЙ (ДИСКОВОЙ) ЭЛЕКТРИЧЕСКОЙ ELITECH ПД 2000С (2017 ГОД)

NАртикулНазваниеСрок отгрузкиЦенаКупить
1 1806.032000 Винт самонарезающий ST4,8х20 мм
2 1806.032110 Крышка задняя. 41910. ПД 2000С 2017 175 р.
3 1806.032200 Крышка,66089,ПД 2000, item 3 34 р.
4 1806.032300 Щетки графитовые 2шт,д/ELITECH ПД 2000С 196 р.
5 1806.032400 Держатель угольной щетки,66114,ПД 2000, item 5 264 р.
6 1806.032500 Винт M5х38 мм
7 1806.032600 Шайба пружинная
8 1806.024800 Шайба плоская
9 1806.032700 Корпус,41393,ПД 2000, item 9 972 р.
10 1806.032800 Защита подшипника. 45005. ПД 2000С 72 р.
11 1806.032900 Кольцо контактное
12 1806.033000 Статор,14057,ПД 2000, item 12 2.555 р.
13 1806.033100 Дефлектор 97 р.
14 1806.020400 Подшипник шариковый 6000-2RS
14 5001.003000 Подшипник 6000RS10х26х8 199 р.
15 1806.033200 Винт самонарезающий ST4,8х80 мм
16 1806.033300 Ротор,14056,ПД 2000, item 16 3.621 р.
17 1806.033400 Накладка
18 1806.033500 Рычаг блокировки
19 1806.019200 Пружина 5,9х0,7х100 54159 ПД1300 37 р.
20 5001.002900 Подшипник шариковый 6002-RS 15х32х9 мм 152 р.
20 1806.033600 Подшипник шариковый 6002-2RS
21 1806.033700 Табличка маркировочная
22 1806.033800 Блок электроники,ПД 2000С 873 р.
23 1806.033900 Корпус редуктора. 51092. ПД 2000С 255 р.
24 1806.034000 Кожух защитный (левый)
25 1806.018600 Ограничитель
26 1806.018500 Винт M5х18 мм
27 1806.034100 Винт M5х16 мм
28 1806.034200 Кожух защитный (правый)
29 1806.034300 Табличка маркировочная
30 1806.034400 Накладка
31 1806.034500 Штифт
32 1806.034600 Рычаг
33 1806.034700 Винт M6х25 мм
34 1806.028200 Подшипник шариковый 608-RS
34 5001.002000 Подшипник шариковый 608 219 р.
35 1806.034800 Кольцо стопорное
36 1806.034900 Шестерня,53040,ПД 2000, item 36 504 р.
37 1806.035000 Вал 53039. ПД 2000С 360 р.
38 1806.035100 Крышка внешняя редуктора 51089. ПД 2000С 325 р.
39 1806.035200 Накладка
40 1806.022100 Винт M5х12 мм 24 р.
41 1806.035300 Фланец внутренний ,57226,ПД 2000, item 41 264 р.
43 1806.035500 Фланец прижимной внешний 240 р.
44 1806.035600 Винт 56014 , ПД 2000С 51 р.
45 1806.035700 Винт M5х12 мм
46 1806.035800 Рукоятка
47 1806.035900 Кожух защитный нижний
48 1806.036000 Пружина
49 5001.001201 Подшипник 6202RS, 15х35х11 СМ. 5001.001200 325 р.
49 1806.036100 Подшипник шариковый 6202-2RS
50 1806.036200 Шпонка 56357. ПД 2000С 51 р.
51 1806.036300 Винт
52 1806.036400 Шайба пружинная
53 1806.036500 Накладка
54 1806.036600 Нож расклинивающий
55 1806.019500 Винт M4х14 мм
56 1806.036700 Патрубок
57 1806.038900 Винт
58 1806.021600 Винт самонарезающий ST4,2х14 мм
59 1806.036800 Накладка
60 1806.036900 Рукоятка 388 р.
61 1806.037000 Шайба плоская
62 1806.037100 Винт
63 1806.037200 Рукоятка поворотная
64 1806.037300 Стержень 72 р.
65 1806.037400 Винт
66 1806.037500 Винт самонарезающий
67 1806.018900 Шайба
68 1806.037600 Рукоятка (левая)
69 1806.024400 Выключатель ПД 1300 279 р.
70 1806.030200 Конденсатор
71 1806.037700 Гайка
72 1806.037800 Рукоятка (правая)
73 1806.024000 Зажим провода
74 1806.037900 Изолятор кабеля сетевого
75 1806.038000 Кабель сетевой
76 1806.022100 Винт M5х12 мм 24 р.
77 1806.038100 Основание
78 1806.038200 Пластина крепления
79 1806.038300 Кольцо
80 1806.038400 Винт барашковый
81 1806.038500 Винт барашковый
82 1806.022500 Шайба
83 1806.038600 Заклепка
84 1806.038700 Кронштейн
85 1806.038800 Гайка
86 1806.039000 Кронштейн
87 1806.039200 Винт
88 1806.039300 Винт
89 1806.039410 Штифт
90 1806.039500 Кронштейн
91 1806.039600 Заклепка
92 1806.022500 Шайба
93 1806.025300 Ключ ПД1600Л 243 р.
94 1806.039700 Упор параллельный
95 1806.039800 Фиксатор
501 1806.039900 Редуктор в сборе
Найдено товаров: 99
1
▲ Наверх
0
8 (925) 663-83-63

Call-центр

пн-вс: 10:00-19:00

НАЙТИ ПО МОДЕЛИ
Введите номер заказа
Введите номер своего заказа, что бы узнать его текущий статус.
Что бы получить доступ к расширенным функциям, пройдите не сложную регистрацию. Зарегистрироваться