Магазин запчастей для бытовой техники - Arlos
Москва
close
Выберите ваш регион
АбаканАлександровАльметьевскАнгарскАрзамасАрмавирАртемАрхангельскАстраханьАчинскБалаковоБалашихаБеларусьБелгородБердскБерезникиБийскБлаговещенскБратскБрянскВеликий НовгородВидноеВладивостокВладикавказВладимирВолгоградВолгодонскВолжскийВологдаВолховВоркутаВоронежВоскресенскВыборгГатчинаГеленджикГрозныйДедовскДербентДзержинскДзержинскийДимитровградДмитровДолгопрудныйДомодедовоДонецкЕвпаторияЕгорьевскЕкатеринбургЕлецЕссентукиЖелезногорскЖелезнодорожныйЖуковскийЗеленоградЗлатоустИвановоИвантеевкаИжевскИркутскИстраЙошкар-ОлаКазаньКалининградКалугаКаменск-УральскийКамышинКаспийскКемеровоКерчьКировКисловодскКлинКовровКоломнаКомсомольск-на-АмуреКопейскКоролёвКостромаКотельникиКрасногорскКраснодарКраснознаменскКрасноярскКурганКурскКызылЛенинск-КузнецкийЛипецкЛобняЛыткариноЛюберцыМагнитогорскМайкопМалаховкаМахачкалаМиассМоскваМурманскМуромМытищиНабережные ЧелныНазраньНальчикНаро-ФоминскНахабиноНаходкаНевинномысскНефтекамскНефтеюганскНижневартовскНижнекамскНижний НовгородНижний ТагилНовокузнецкНовокуйбышевскНовомосковскНовороссийскНовосибирскНовоуральскНовочебоксарскНовочеркасскНовошахтинскНовый УренгойНогинскНорильскНоябрьскОбнинскОдинцовоОктябрьскийОмскОрелОренбургОрехово-ЗуевоОрскПавловский ПосадПензаПервоуральскПермьПетрозаводскПетропавловск-КамчатскийПодольскПрокопьевскПсковПушкиноПятигорскРаменскоеРеутовРостов-на-ДонуРубцовскРыбинскРязаньСакиСалаватСамараСанкт-ПетербургСаранскСаратовСевастопольСеверодвинскСеверскСергиев ПосадСерпуховСимферопольСмоленскСосновый БорСочиСтавропольСтарый ОсколСтерлитамакСтупиноСургутСызраньСыктывкарТаганрогТамбовТверьТихвинТольяттиТомилиноТомскТроицкТулаТюменьУлан-УдэУльяновскУссурийскУсть-ИлимскУфаУхтаФеодосияФрязиноХабаровскХанты-МансийскХасавюртХимкиЧебоксарыЧелябинскЧереповецЧеркесскЧеховЧитаШахтыЩелковоЭлектростальЭлистаЭнгельсЮжно-СахалинскЯкутскЯлтаЯрославль
  • - бесплатно по РФ
    Автоперезвон. Работает по принципу: Вы позвонили на номер, мы сбрасываем звонок и перезваниваем через 3 секунды.
  • - по Москве
  • 8 (925) 663-83-63

Call-центр

пн-вс: 10:00-19:00

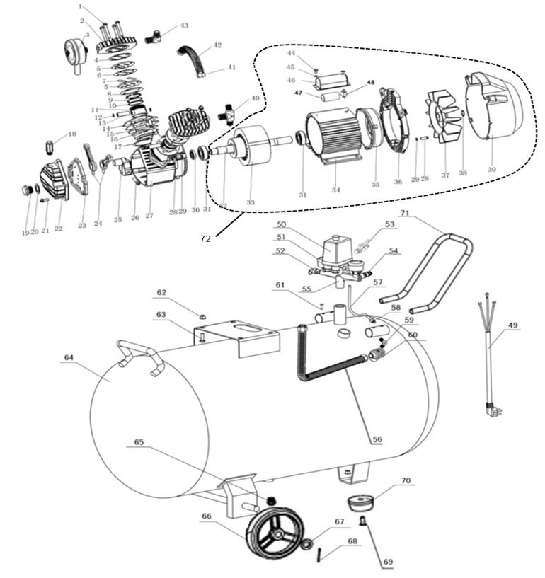
ЗАПЧАСТИ ДЛЯ КОМПРЕССОРА ПОРШНЕВОГО ELITECH КПМ 360/100 (2019 ГОД)

NАртикулНазваниеСрок отгрузкиЦенаКупить
1 0701.150250 Болт M6х55 мм
2 0701.150300 Головка цилиндра. GP-VFL-100L -002. КПМ 360/100 2019 600 р.
3 0701.150350 Фильтр воздушный. GP-VFL-100L -003. КПМ 360/100 2019 185 р.
4 0701.150400 Прокладка головки цилиндра. GP-VFL-100L -004. КПМ 360/100 2019 72 р.
5 0701.150450 Плита клапанная. GP-VFL-100L -005. КПМ 360/100 2019 600 р.
6 0701.150500 Прокладка алюминиевая. GP-VFL-100L -006. КПМ 360/100 2019 145 р.
7 0701.150550 Пластина клапанная. GP-VFL-100L -007. КПМ 360/100 2019 240 р.
8 0701.150600 Прокладка плиты клапанной. GP-VFL-100L -008. КПМ 360/100 2019 72 р.
9 0701.150650 Кольцо поршневое, GP-VFL-100L -009. КПМ 360/100 2019 121 р.
10 0701.150700 Кольцо маслосьемное D.47 мм 105 р.
11 0701.150750 Поршень D.47 мм 168 р.
12 0701.150800 Кольцо стопорное для отверстия d12, H0.8. КПМ 360/100 2019 48 р.
13 0701.150850 Палец поршня. GP-VFL-100L -013. КПМ 360/100 2019 94 р.
14 0701.150900 Болт M8х25 мм
15 0701.150950 Шайба пружинная D.8 мм
16 0701.151000 Цилиндр. GP-VFL-100L -016. КПМ 360/100 2019 509 р.
17 0701.151050 Прокладка цилиндра. GP-VFL-100L -017. КПМ 360/100 2019 72 р.
18 0701.151100 Сапун. GP-VFL-100L -018. КПМ 360/100 2019 192 р.
19 0701.151150 Глазок уровня масла. GP-VFL-100L -019. КПМ 360/100 2019 142 р.
20 0701.151200 Прокладка глазка. GP-VFL-100L -020. КПМ 360/100 2019 48 р.
21 0701.151250 Болт M6х10 мм
22 0701.151300 Крышка картера. GP-VFL-100L -022. КПМ 360/100 2019 840 р.
23 0701.151350 Прокладка крышки картера резиновая. GP-VFL-100L -023. КПМ 360/100 2019 145 р.
24 0701.151400 Шатун. GP-VFL-100L -024. КПМ 360/100 2019 360 р.
25 0701.151450 Коленвал. GP-VFL-100L -025. КПМ 360/100 2019 1.405 р.
26 0701.151500 Болт M8х35 мм
27 0701.151550 Картер. GP-VFL-100L -027. КПМ 360/100 2019 3.562 р.
28 0701.151600 Болт M5х20 мм
29 0701.151650 Шайба пружинная D.5 мм
30 0701.151700 Сальник. GP-VFL-100L -030. КПМ 360/100 2019 121 р.
31 0701.151750 Подшипник шариковый 6205
32 0701.151800 Ротор
33 0701.151850 Статор
34 0701.151900 Корпус эл. двигателя
35 0701.151950 Крышка задняя
36 0701.152000 Решетка кожуха 240 р.
37 0701.152050 Крыльчатка. GP-VFL-100L -037. КПМ 360/100 2019. СМ.0701.056300 360 р.
38 0701.152100 Кольцо стопорное
39 0701.152150 Кожух защитный (пластиковый) 528 р.
40 0701.152200 Фитинг тройной. GP-VFL-100L -040. КПМ 360/100 2019 219 р.
41 0701.152250 Гайка 3/4-16
42 0701.152300 Трубка с радиатором в сборе. GP-VFL-100L -042. КПМ 360/100 2019 360 р.
43 0701.152350 Фитинг угольник. GP-VFL-100L -043. КПМ 360/100 2019 216 р.
44 0701.152400 Винт M4х10 мм
45 0701.152450 Шайба пружинная D.4 мм
46 0701.152500 Коробка конденсаторная
47 0701.152550 Конденсатор 450В, 80мкФ, D50, L102, CBB60. КПМ 360/100 2019 791 р.
48 0701.152600 Предохранитель тепловой. GP-VFL-100L -048. КПМ 360/100 2019 240 р.
49 0701.152650 Кабель сетевой в сборе с вилкой
50 0701.152700 Прессостат. GP-VFL-100L -050. КПМ 360/100 2019 959 р.
51 0701.152750 Манометр D41, G1/8(D9.8), 0-14 bar. КПМ 360/100 2019. СМ. 0702.125450 0702.133200 0702.121850 360 р.
52 0701.152800 Клапан предохранительный. GP-VFL-100L -052. КПМ 360/100 2019 336 р.
53 0701.152850 Кран шаровой. GP-VFL-100L -053. КПМ 360/100 2019 289 р.
54 0701.152900 Рапид. GP-VFL-100L -054. КПМ 360/100 2019 185 р.
55 0701.152950 Кронштейн пневмореле
56 0701.153000 Воздухопровод приёмный с охладителем. GP-VFL-100L -056. КПМ 360/100 2019 481 р.
57 0701.153050 Трубка возвратная. GP-VFL-100L -057. КПМ 360/100 2019 145 р.
58 0701.153100 Гайка M10х1
59 0701.153150 Фитинг угольник. GP-VFL-100L -059. КПМ 360/100 2019 145 р.
60 0701.153200 Клапан обратный КПМ 100/360/2,2 аналог 0702.122300 0702.126100 0702.134400 432 р.
61 0701.153250 Гайка M6
62 0701.153300 Гайка M5
63 0701.153350 Винт M8х20 мм
64 0701.153400 Ресивер 100 л
65 0701.153450 Конденсатоотводчик
66 0701.153500 Колесо. GP-VFL-100L -066. КПМ 360/100 2019 283 р.
67 0701.153550 Шайба D.16 мм
68 0701.153600 Шплинт
69 0701.153650 Гайка M8
70 0701.153700 Ножка резиновая. GP-VFL-100L -070. КПМ 360/100 2019 145 р.
71 0701.153750 Рукоятка
72 0701.151890 Эл. двигатель в сборе
Найдено товаров: 72
1
▲ Наверх
0
8 (925) 663-83-63

Call-центр

пн-вс: 10:00-19:00

НАЙТИ ПО МОДЕЛИ
Введите номер заказа
Введите номер своего заказа, что бы узнать его текущий статус.
Что бы получить доступ к расширенным функциям, пройдите не сложную регистрацию. Зарегистрироваться