8 (925) 663-83-63Call-центр
пн-вс: 10:00-19:00
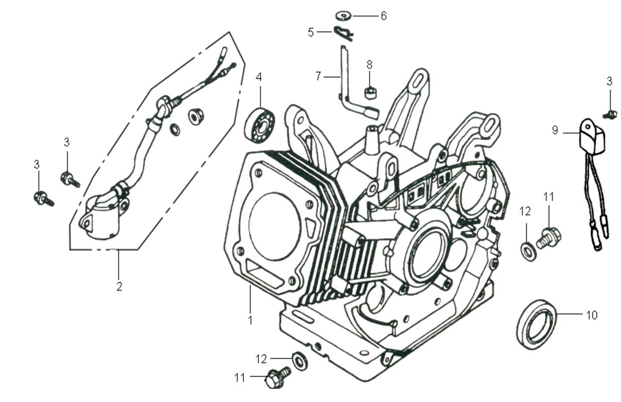
| N | Артикул | Название | Срок отгрузки | Цена | Купить |
| 1 | 0101.115000 | Цилиндр-картер | – | ||
| 2 | 0101.115200 | Датчик уровня масла (в картере) | – | ||
| 3 | 0101.115300 | Болт фланцевый M6х12 мм | – | ||
| 4 | 0101.115400 | Подшипник шариковый 6202 | – | ||
| 5 | 0104.011700 | Шплинт | – | ||
| 6 | 0101.115600 | Шайба вала рычага регулятора | – | ||
| 7 | 0101.115700 | Вал регулятора оборотов | – | ||
| 8 | 0101.115800 | Сальник | – | ||
| 9 | 0101.115900 | Датчик уровня масла | – | ||
| 10 | 0101.116000 | Сальник | – | ||
| 11 | 0101.116100 | Пробка сливная | – | ||
| 12 | 0101.116200 | Шайба уплотнительная 12х20х2 мм | – | ||
| 13 | 0110.000700 | Двигатель бензиновый 188А | – |
| Найдено товаров: 13 |
|
8 (925) 663-83-63 Call-центр
пн-вс: 10:00-19:00
| Введите номер заказа |
| Введите номер своего заказа, что бы узнать его текущий статус. Что бы получить доступ к расширенным функциям, пройдите не сложную регистрацию. Зарегистрироваться |