Магазин запчастей для бытовой техники - Arlos
Москва
close
Выберите ваш регион
АбаканАлександровАльметьевскАнгарскАрзамасАрмавирАртемАрхангельскАстраханьАчинскБалаковоБалашихаБеларусьБелгородБердскБерезникиБийскБлаговещенскБратскБрянскВеликий НовгородВидноеВладивостокВладикавказВладимирВолгоградВолгодонскВолжскийВологдаВолховВоркутаВоронежВоскресенскВыборгГатчинаГеленджикГрозныйДедовскДербентДзержинскДзержинскийДимитровградДмитровДолгопрудныйДомодедовоДонецкЕвпаторияЕгорьевскЕкатеринбургЕлецЕссентукиЖелезногорскЖелезнодорожныйЖуковскийЗеленоградЗлатоустИвановоИвантеевкаИжевскИркутскИстраЙошкар-ОлаКазаньКалининградКалугаКаменск-УральскийКамышинКаспийскКемеровоКерчьКировКисловодскКлинКовровКоломнаКомсомольск-на-АмуреКопейскКоролёвКостромаКотельникиКрасногорскКраснодарКраснознаменскКрасноярскКурганКурскКызылЛенинск-КузнецкийЛипецкЛобняЛыткариноЛюберцыМагнитогорскМайкопМалаховкаМахачкалаМиассМоскваМурманскМуромМытищиНабережные ЧелныНазраньНальчикНаро-ФоминскНахабиноНаходкаНевинномысскНефтекамскНефтеюганскНижневартовскНижнекамскНижний НовгородНижний ТагилНовокузнецкНовокуйбышевскНовомосковскНовороссийскНовосибирскНовоуральскНовочебоксарскНовочеркасскНовошахтинскНовый УренгойНогинскНорильскНоябрьскОбнинскОдинцовоОктябрьскийОмскОрелОренбургОрехово-ЗуевоОрскПавловский ПосадПензаПервоуральскПермьПетрозаводскПетропавловск-КамчатскийПодольскПрокопьевскПсковПушкиноПятигорскРаменскоеРеутовРостов-на-ДонуРубцовскРыбинскРязаньСакиСалаватСамараСанкт-ПетербургСаранскСаратовСевастопольСеверодвинскСеверскСергиев ПосадСерпуховСимферопольСмоленскСосновый БорСочиСтавропольСтарый ОсколСтерлитамакСтупиноСургутСызраньСыктывкарТаганрогТамбовТверьТихвинТольяттиТомилиноТомскТроицкТулаТюменьУлан-УдэУльяновскУссурийскУсть-ИлимскУфаУхтаФеодосияФрязиноХабаровскХанты-МансийскХасавюртХимкиЧебоксарыЧелябинскЧереповецЧеркесскЧеховЧитаШахтыЩелковоЭлектростальЭлистаЭнгельсЮжно-СахалинскЯкутскЯлтаЯрославль
  • - бесплатно по РФ
    Автоперезвон. Работает по принципу: Вы позвонили на номер, мы сбрасываем звонок и перезваниваем через 3 секунды.
  • - по Москве
  • 8 (925) 663-83-63

Call-центр

пн-вс: 10:00-19:00

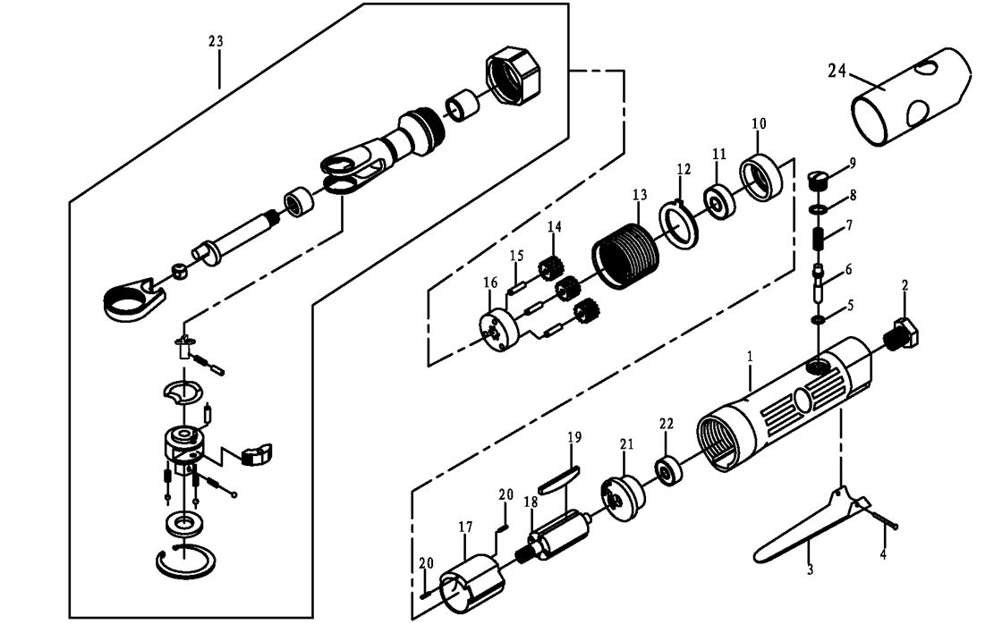
ЗАПЧАСТИ ДЛЯ ГАЙКОВЕРТА ПНЕВМАТИЧЕСКОГО ELITECH WFR 1061 (0704.012500)

NАртикулНазваниеСрок отгрузкиЦенаКупить
1 0705.018200 Корпус ,WFR-1060-01, (0704.012500 и 0704.012600 )пневмогайковерт 560 р.
2 0705.018300 Коннектор воздушный,WFR-1060-02,(0704.012500 и 0704.012600 )пневмогайковерт 90 р.
3 0705.018400 Рычаг курка
4 0705.018500 Шплинт
5 0705.018600 Уплотнитель кольцевой , 0 RING 3. 2*1. 9 , 0704.012500 Пневмогайковерт 34 р.
6 0705.018700 Шпилька клапана , WFR-1060-04 , (0704.012500 и 0704.012600 )пневмогайковерт 33 р.
7 0705.018800 Пружина клапана , WFR-1060-05, (0704.012500 и 0704.012600 )пневмогайковерт 33 р.
8 0705.018900 Уплотнитель кольцевой , JB/T6659-2007 8*2 , 0704.012500 Пневмогайковерт 34 р.
9 0705.019000 Пробка
10 0705.019100 Головка цилиндра передняя , WFR-1060-07 , (0704.012500 и 0704.012600 )пневмогайковерт 203 р.
11 5001.002800 Подшипник шариковый 608-Z 252 р.
12 0705.019200 Шайба
13 0705.019300 Кольцо зубчатое
14 0705.019400 Шестерня планетарная
15 0705.019500 Шпилька
16 0705.019600 Держатель
17 0705.019700 Цилиндр
18 0705.019800 Ротор , WFR-1060-14 , (0704.012500 и 0704.012600 )пневмогайковерт 306 р.
19 0705.002200 Лопатка ,WFG-1310-12 ,см.0704.013300, 0704.012200 0704.012500,0704.012600 108 р.
20 0705.019900 Штифт пружинный
21 0705.020000 Головка цилиндра задняя , WFR-1060-15 , (0704.012500 и 0704.012600)Пневмогайковерты 180 р.
22 5001.002600 Подшипник 626Z, 6х19х6 157 р.
23 0705.020100 Рукоятка храповика в сборе
24 0705.020200 Накладка рукоятки
Найдено товаров: 24
1
▲ Наверх
0
8 (925) 663-83-63

Call-центр

пн-вс: 10:00-19:00

НАЙТИ ПО МОДЕЛИ
Введите номер заказа
Введите номер своего заказа, что бы узнать его текущий статус.
Что бы получить доступ к расширенным функциям, пройдите не сложную регистрацию. Зарегистрироваться