Магазин запчастей для бытовой техники - Arlos
Москва
close
Выберите ваш регион
АбаканАлександровАльметьевскАнгарскАрзамасАрмавирАртемАрхангельскАстраханьАчинскБалаковоБалашихаБеларусьБелгородБердскБерезникиБийскБлаговещенскБратскБрянскВеликий НовгородВидноеВладивостокВладикавказВладимирВолгоградВолгодонскВолжскийВологдаВолховВоркутаВоронежВоскресенскВыборгГатчинаГеленджикГрозныйДедовскДербентДзержинскДзержинскийДимитровградДмитровДолгопрудныйДомодедовоДонецкЕвпаторияЕгорьевскЕкатеринбургЕлецЕссентукиЖелезногорскЖелезнодорожныйЖуковскийЗеленоградЗлатоустИвановоИвантеевкаИжевскИркутскИстраЙошкар-ОлаКазаньКалининградКалугаКаменск-УральскийКамышинКаспийскКемеровоКерчьКировКисловодскКлинКовровКоломнаКомсомольск-на-АмуреКопейскКоролёвКостромаКотельникиКрасногорскКраснодарКраснознаменскКрасноярскКурганКурскКызылЛенинск-КузнецкийЛипецкЛобняЛыткариноЛюберцыМагнитогорскМайкопМалаховкаМахачкалаМиассМоскваМурманскМуромМытищиНабережные ЧелныНазраньНальчикНаро-ФоминскНахабиноНаходкаНевинномысскНефтекамскНефтеюганскНижневартовскНижнекамскНижний НовгородНижний ТагилНовокузнецкНовокуйбышевскНовомосковскНовороссийскНовосибирскНовоуральскНовочебоксарскНовочеркасскНовошахтинскНовый УренгойНогинскНорильскНоябрьскОбнинскОдинцовоОктябрьскийОмскОрелОренбургОрехово-ЗуевоОрскПавловский ПосадПензаПервоуральскПермьПетрозаводскПетропавловск-КамчатскийПодольскПрокопьевскПсковПушкиноПятигорскРаменскоеРеутовРостов-на-ДонуРубцовскРыбинскРязаньСакиСалаватСамараСанкт-ПетербургСаранскСаратовСевастопольСеверодвинскСеверскСергиев ПосадСерпуховСимферопольСмоленскСосновый БорСочиСтавропольСтарый ОсколСтерлитамакСтупиноСургутСызраньСыктывкарТаганрогТамбовТверьТихвинТольяттиТомилиноТомскТроицкТулаТюменьУлан-УдэУльяновскУссурийскУсть-ИлимскУфаУхтаФеодосияФрязиноХабаровскХанты-МансийскХасавюртХимкиЧебоксарыЧелябинскЧереповецЧеркесскЧеховЧитаШахтыЩелковоЭлектростальЭлистаЭнгельсЮжно-СахалинскЯкутскЯлтаЯрославль
  • - бесплатно по РФ
    Автоперезвон. Работает по принципу: Вы позвонили на номер, мы сбрасываем звонок и перезваниваем через 3 секунды.
  • - по Москве
  • 8 (925) 663-83-63

Call-центр

пн-вс: 10:00-19:00

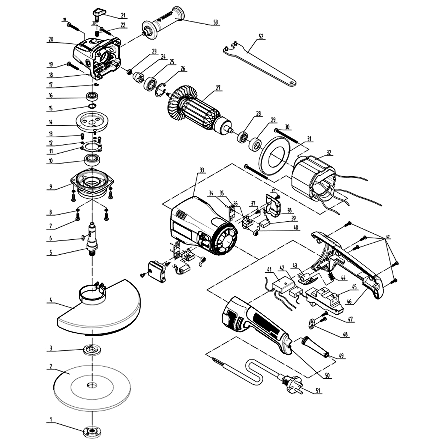
УШМ (Болгарка), 230 мм УШМ-230-2100 ПМ3

Данная модель имеет несколько схем

NАртикулНазваниеСрок отгрузкиЦенаКупить
U353-115-001 Фланец прижимной внешний M14 U353-115-001 для SAG-180-1800, УШМ-П125-1000 100 р.
1.03 U009-629-RS0 Подшипник шариковый 629-2Z (26х9х8) U009-629-RS0 294 р.
1.20 U009-608-RS0 Подшипник шариковый 608-2RS (22х8х7) U009-608-RS0 для пил ЗПС-850 Э, ЗПТ-210-1300-Л 306 р.
2 N000-019-862 Фланец внутренний D14 Ls17.5 N000-019-862 123 р.
2-18 U009-620-0RS Подшипник шариковый 6200-2RS (30x10x9) U009-620-0RS 250 р.
3 U353-115-006 Шпонка сегментная 13x5x4 U353-115-006 для ЗДМ-1200Р, УШМ-180-2005 П 114 р.
4 N000-017-173 Кожух защитный 480 р.
5 U503-181-005 Шпиндель D24x84 418 р.
6 UM06-001-005 Кольцо разжимное D13 UM06-001-005 для ЗДМ-1200Р, ЗУШМ-230-2100П 92 р.
9 N000-017-151 Крышка корпуса редуктора 370 р.
10 U009-620-2RS Подшипник шариковый 6202-2RS (35x15x11) n/n 189 р.
11 U253-235-013 Фиксатор подшипника шпинделя D42xh2,2 92 р.
12 UM04-001-003 Шайба-гровер D5 92 р.
13 UM01-000-037 Винт M5x19 92 р.
13 U503-211-015 Шестерня ведомая D65 Z41 U503-211-015 для УШМ-П180-2100 ПВ, УШМ-230-2205 П 577 р.
17 N000-017-154 Кольцо стопорное D5 Е-образное
17 U503-140-023 Пружина стопора D9xh13 U503-140-023 для болгарок УШМ-115-800 М3, УШМ-125-950 М3 92 р.
18 N000-017-155 Корпус редуктора N000-017-155 для УШМ-180-1800 ПМ3, УШМ-230-2100 ПМ3 885 р.
21.C N000-017-158 Штифт блокировки вала с кнопкой в сборе N000-017-158 для УШМ-180-1800 ПМ3, УШМ-230-2100 ПМ3 128 р.
22 U503-211-025 Шестерня ведущая D19.4x14 U503-211-025 для AGS-230-2200 S, ЗУШМ-230-2100П_z01 383 р.
23 UM05-001-008 Гайка М8 автогровер 11 р.
26 UM06-002-002 Кольцо стопорное сжимное D34 28 р.
27 U503-211-028 Ротор КД U503-211-028 для ЗШ-П45-2100 ПВТК, ЗУШМ-230-2100П_z01 3.420 р.
29 U253-235-032 Втулка подшипника 629 резиноваяD30x9 133 р.
31 U503-181-034 Диффузор D87.5х51 85 р.
32 N000-017-176 Статор КДС 2.479 р.
33 N000-017-162 Корпус двигателя 962 р.
36 U503-181-041 Щеткодержатель c пружиной 334 р.
38 U503-181-045-W Щетка графитовая (пара) 7х12х19 U503-181-045-W для ЗУШМ-180-1800П_z01, ЗШ-П45-2100 ПВТК 428 р.
38 U503-181-044 Крышка щеткодержателя 46 р.
40 V000-004-294 Блок плавного 250V~ 50Hz V000-004-294 для ЗИЭ-40-2500, ЗУШМ-180-1800П_z01 477 р.
42 N000-017-164 Конденсатор 0.47uF
43 U503-181-051 Кнопка фиксатора 286 р.
44 U503-181-052 Пружина 189 р.
45 V000-003-265 Выключатель S230B 12(12)A 250V ~ 5E4 499 р.
46_50 N000-017-165-C Рукоятка в сборе левая и правая часть 594 р.
46_50 N000-017-165 Рукоятка левая половина 340 р.
46_50 N000-017-169 Рукоятка правая половина 340 р.
48 N000-017-167 Прижим кабеля
49 N000-017-168 Рукав кабеля
51 N000-017-177 Кабель
53 N000-017-178 Рукоятка боковая
Найдено товаров: 42
1
▲ Наверх
0
8 (925) 663-83-63

Call-центр

пн-вс: 10:00-19:00

НАЙТИ ПО МОДЕЛИ
Введите номер заказа
Введите номер своего заказа, что бы узнать его текущий статус.
Что бы получить доступ к расширенным функциям, пройдите не сложную регистрацию. Зарегистрироваться