Магазин запчастей для бытовой техники - Arlos
Москва
close
Выберите ваш регион
АбаканАлександровАльметьевскАнгарскАрзамасАрмавирАртемАрхангельскАстраханьАчинскБалаковоБалашихаБеларусьБелгородБердскБерезникиБийскБлаговещенскБратскБрянскВеликий НовгородВидноеВладивостокВладикавказВладимирВолгоградВолгодонскВолжскийВологдаВолховВоркутаВоронежВоскресенскВыборгГатчинаГеленджикГрозныйДедовскДербентДзержинскДзержинскийДимитровградДмитровДолгопрудныйДомодедовоДонецкЕвпаторияЕгорьевскЕкатеринбургЕлецЕссентукиЖелезногорскЖелезнодорожныйЖуковскийЗеленоградЗлатоустИвановоИвантеевкаИжевскИркутскИстраЙошкар-ОлаКазаньКалининградКалугаКаменск-УральскийКамышинКаспийскКемеровоКерчьКировКисловодскКлинКовровКоломнаКомсомольск-на-АмуреКопейскКоролёвКостромаКотельникиКрасногорскКраснодарКраснознаменскКрасноярскКурганКурскКызылЛенинск-КузнецкийЛипецкЛобняЛыткариноЛюберцыМагнитогорскМайкопМалаховкаМахачкалаМиассМоскваМурманскМуромМытищиНабережные ЧелныНазраньНальчикНаро-ФоминскНахабиноНаходкаНевинномысскНефтекамскНефтеюганскНижневартовскНижнекамскНижний НовгородНижний ТагилНовокузнецкНовокуйбышевскНовомосковскНовороссийскНовосибирскНовоуральскНовочебоксарскНовочеркасскНовошахтинскНовый УренгойНогинскНорильскНоябрьскОбнинскОдинцовоОктябрьскийОмскОрелОренбургОрехово-ЗуевоОрскПавловский ПосадПензаПервоуральскПермьПетрозаводскПетропавловск-КамчатскийПодольскПрокопьевскПсковПушкиноПятигорскРаменскоеРеутовРостов-на-ДонуРубцовскРыбинскРязаньСакиСалаватСамараСанкт-ПетербургСаранскСаратовСевастопольСеверодвинскСеверскСергиев ПосадСерпуховСимферопольСмоленскСосновый БорСочиСтавропольСтарый ОсколСтерлитамакСтупиноСургутСызраньСыктывкарТаганрогТамбовТверьТихвинТольяттиТомилиноТомскТроицкТулаТюменьУлан-УдэУльяновскУссурийскУсть-ИлимскУфаУхтаФеодосияФрязиноХабаровскХанты-МансийскХасавюртХимкиЧебоксарыЧелябинскЧереповецЧеркесскЧеховЧитаШахтыЩелковоЭлектростальЭлистаЭнгельсЮжно-СахалинскЯкутскЯлтаЯрославль
  • - бесплатно по РФ
    Автоперезвон. Работает по принципу: Вы позвонили на номер, мы сбрасываем звонок и перезваниваем через 3 секунды.
  • - по Москве
  • 8 (925) 663-83-63

Call-центр

пн-вс: 10:00-19:00

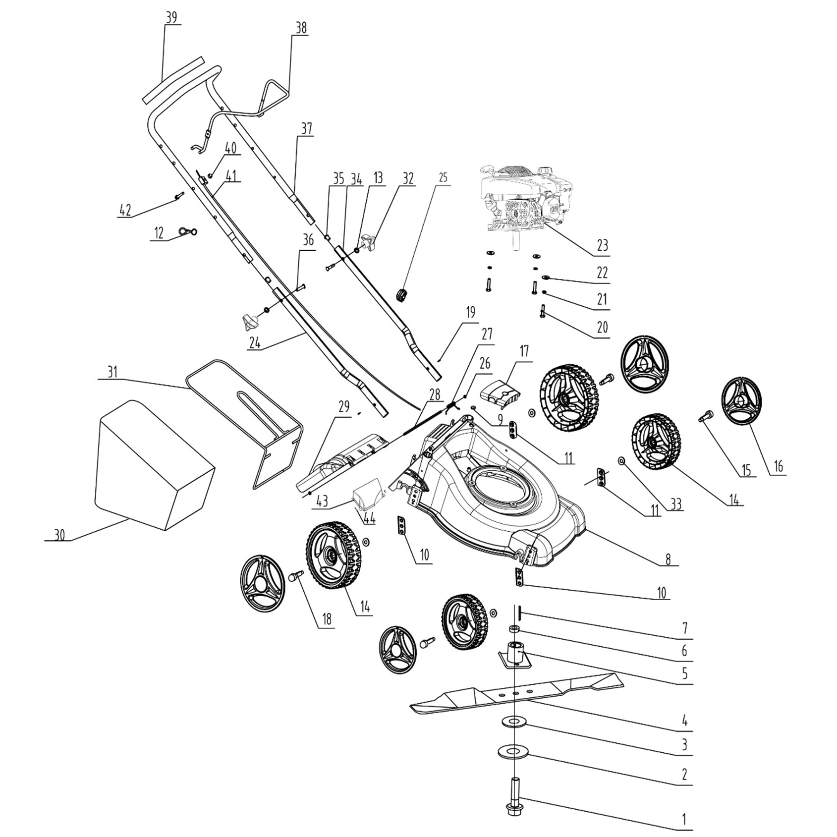
Газонокосилка бензиновая, облегченная ГБ-400

Данная модель имеет несколько схем

NАртикулНазваниеСрок отгрузкиЦенаКупить
1.01 N000-033-963 Болт 3 / 8-24UNFX38
1.02 N000-033-964 Шайба
1.03 N000-033-965 Шайба ножа 286 р.
1.04 N000-033-966 Нож 390 мм для ГБ-400 731 р.
1.05 N000-033-967 Держатель ножа 405 р.
1.06 N000-033-968 Втулка
1.07 N000-033-969 Шпонка 35x5.5x4.5 19 р.
1.08 N000-033-970 Дека
1.09 N000-033-971 Пробка перегородки ручки
1.10 N000-033-972 Пластина осевая
1.11 N000-033-973 Пластина осевая
1.12 N000-033-974 Держатель стартера
1.14 N000-033-975 Колесо пластиковое D155хd13х59 381 р.
1.15 N000-033-976 Ось левая
1.16 N000-033-977 Колпак колеса
1.17 N000-033-978 Крышка
1.18 N000-033-979 Ось правая
1.23 N000-033-980 Двигатель DV130 15.320 р.
1.24 N000-033-981 Ручка нижняя
1.25 N000-033-982 Зажим
1.27 N000-033-983 Пружина торсионная
1.28 N000-033-984 Ось задней крышки
1.29 N000-033-985 Крышка задняя
1.30 N000-033-986 Травосборник
1.31 N000-033-987 Рама травосборника
1.33 N000-033-988 Шайба плоская ?30*?10,5*2,5
1.34 N000-033-989 Ручка нижняя
1.35 N000-033-990 Заглушка
1.37 N000-033-991 Ручка верхняя
1.38 N000-033-992 Рычаг пламени
1.39 N000-033-993 Корпус толкателя
1.41 N000-033-994 Трос тормоза 405 р.
1.43 N000-033-995 Вставка
2.01 N000-033-996 Картер
2.02 N000-033-997 Маятник
2.03 N000-033-998 Уплотнение маятниковое
2.04 N000-033-999 Магнето 1.068 р.
2.04 N000-033-999-2 Магнето 830 р.
2.05 N000-034-001 Маховик 5.131 р.
2.05 N000-034-001-2 Маховик
2.06 N000-034-002 Крыльчатка 225 р.
2.06 N000-034-002-2 Крыльчатка 149 р.
2.07 N000-040-216 Храповик 264 р.
2.08 N000-034-004 Трубка
2.09 N000-034-005 Крышка головки блока цилиндров
2.10 N000-034-006 Кронштейн
2.12 N000-034-007 Крышка картера
2.13 N000-034-008 Теплоизолятор
2.14 N000-034-009 Карбюратор в сборе 1.756 р.
2.14 N000-034-009-2 Карбюратор в сборе 1.262 р.
2.15 N000-034-010 Крышка камеры возврата масла
2.16 N000-034-011 Поршень 60 мм
2.17 N000-034-012 Кольца поршневые набор 418 р.
2.18 N000-034-013 Палец поршневой 286 р.
2.19 N000-034-014 Кольцо стопорное 92 р.
2.20 N000-001-726-2 Свеча зажигания F7TC для газонокосилок 383 р.
2.21 N000-034-015 Щуп
2.22 N000-034-016 Направляющая для щупа
2.23 N000-034-017 Клапан впускной
2.24 N000-034-018 Колпачек маслосъемный
2.25 N000-034-019 Седло пружины впускного клапана
2.26 N000-034-020-2 Фильтр воздушный в сборе для газонокосилок 437 р.
2.26 N000-034-020 Фильтр воздушный в сборе с праймером. 478 р.
2.27 N000-034-021 Узел шестерни центробежного регулятора 212 р.
2.28 N000-034-022 Шатун в сборе
2.28 N000-034-022-2 Шатун в сборе
2.34 N000-034-023 Прокладка воздушного фильтра
2.35 N000-034-024 Прокладка 414 р.
2.36 N000-034-025 Прокладка карбюратора 226 р.
2.37 N000-034-026 Клапан выпускной
2.38 N000-034-027 Пружина клапана
2.39 N000-034-028 Подъемник клапана
2.40 N000-034-029 Шток клапана
2.41 N000-034-030 Вал коленчатый 3.875 р.
2.41 N000-034-030-2 Вал коленчатый
2.42 N000-034-031 Шайба
2.43 N000-034-032 Штифт
2.44 N000-034-033 Прокладка головки блока цилиндра
2.45 N000-034-034 Крышка цилиндра
2.46 N000-034-035 Сальник коленчатого вала 104 р.
2.47 N000-034-036 Сальник коленчатого вала 92 р.
2.48 N000-034-037 Шестерня ведущая 92 р.
2.49 N000-034-038 Топливопровод
2.51 N000-034-039 Пружина регулировки скорости
2.52 N000-034-040 Рычаг регулировки скорости
2.53 N000-034-041 Механизм тормоза 466 р.
2.54 N000-034-042 Пружина тормозная 189 р.
2.55 N000-034-043 Провод
2.56 N000-034-044 Регулятор скорости
2.57 N000-034-045-2 Распредвал в сборе
2.57 N000-034-045 Распредвал в сборе
2.58 N000-034-046 Глушитель
2.58 N000-034-046-2 Глушитель
2.59 N000-034-047 Коромысло
2.60 N000-034-048 Тяга дроссельной заслонки
2.61 N000-034-049 Бак
2.61 N000-034-049-2 Бак
2.62 N000-034-050 Крышка топливного бака
2.63 N000-034-051 Зажим
2.64 N000-034-052 Коромысло
2.65 N000-034-053 Кронштейн
2.66 N000-034-054 Кронштейн
2.67 N000-034-055 Кожух двигателя 577 р.
2.67 N000-034-055-2 Кожух двигателя V2
2.68 N000-034-419 Стартер в сборе H116мм 1.309 р.
2.68 N000-034-419-2 Стартер в сборе для газонокосилок 955 р.
2.70 N000-034-057 Прокладка глушителя
2.74 N000-034-059 Труба впускная
2.77 N000-034-060 Крышка глушителя
2.79 N000-034-061 Фильтр топливный
2.80 N000-034-062 Зажим топливопровода
2.83 N000-040-126 Крышка двигателя верхняя
Найдено товаров: 112
1
▲ Наверх
0
8 (925) 663-83-63

Call-центр

пн-вс: 10:00-19:00

НАЙТИ ПО МОДЕЛИ
Введите номер заказа
Введите номер своего заказа, что бы узнать его текущий статус.
Что бы получить доступ к расширенным функциям, пройдите не сложную регистрацию. Зарегистрироваться