Магазин запчастей для бытовой техники - Arlos
Москва
close
Выберите ваш регион
АбаканАлександровАльметьевскАнгарскАрзамасАрмавирАртемАрхангельскАстраханьАчинскБалаковоБалашихаБеларусьБелгородБердскБерезникиБийскБлаговещенскБратскБрянскВеликий НовгородВидноеВладивостокВладикавказВладимирВолгоградВолгодонскВолжскийВологдаВолховВоркутаВоронежВоскресенскВыборгГатчинаГеленджикГрозныйДедовскДербентДзержинскДзержинскийДимитровградДмитровДолгопрудныйДомодедовоДонецкЕвпаторияЕгорьевскЕкатеринбургЕлецЕссентукиЖелезногорскЖелезнодорожныйЖуковскийЗеленоградЗлатоустИвановоИвантеевкаИжевскИркутскИстраЙошкар-ОлаКазаньКалининградКалугаКаменск-УральскийКамышинКаспийскКемеровоКерчьКировКисловодскКлинКовровКоломнаКомсомольск-на-АмуреКопейскКоролёвКостромаКотельникиКрасногорскКраснодарКраснознаменскКрасноярскКурганКурскКызылЛенинск-КузнецкийЛипецкЛобняЛыткариноЛюберцыМагнитогорскМайкопМалаховкаМахачкалаМиассМоскваМурманскМуромМытищиНабережные ЧелныНазраньНальчикНаро-ФоминскНахабиноНаходкаНевинномысскНефтекамскНефтеюганскНижневартовскНижнекамскНижний НовгородНижний ТагилНовокузнецкНовокуйбышевскНовомосковскНовороссийскНовосибирскНовоуральскНовочебоксарскНовочеркасскНовошахтинскНовый УренгойНогинскНорильскНоябрьскОбнинскОдинцовоОктябрьскийОмскОрелОренбургОрехово-ЗуевоОрскПавловский ПосадПензаПервоуральскПермьПетрозаводскПетропавловск-КамчатскийПодольскПрокопьевскПсковПушкиноПятигорскРаменскоеРеутовРостов-на-ДонуРубцовскРыбинскРязаньСакиСалаватСамараСанкт-ПетербургСаранскСаратовСевастопольСеверодвинскСеверскСергиев ПосадСерпуховСимферопольСмоленскСосновый БорСочиСтавропольСтарый ОсколСтерлитамакСтупиноСургутСызраньСыктывкарТаганрогТамбовТверьТихвинТольяттиТомилиноТомскТроицкТулаТюменьУлан-УдэУльяновскУссурийскУсть-ИлимскУфаУхтаФеодосияФрязиноХабаровскХанты-МансийскХасавюртХимкиЧебоксарыЧелябинскЧереповецЧеркесскЧеховЧитаШахтыЩелковоЭлектростальЭлистаЭнгельсЮжно-СахалинскЯкутскЯлтаЯрославль
  • - бесплатно по РФ
    Автоперезвон. Работает по принципу: Вы позвонили на номер, мы сбрасываем звонок и перезваниваем через 3 секунды.
  • - по Москве
  • 8 (925) 663-83-63

Call-центр

пн-вс: 10:00-19:00

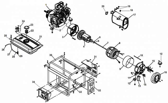
1 ЯКОРЬ - СТАТОР - БЛОК AVR - БАК - АККУМУЛЯТОР GG3300 ГЕНЕРАТОР CHAMPION

NАртикулНазваниеСрок отгрузкиЦенаКупить
1 012020000026 Двигатель 5-7 рабочих дней
2 029910300215 Виброизолятор двигателя 5-7 рабочих дней 180 р.
3 029030200301 Крышка генератора сторона 5-7 рабочих дней 1.639 р.
4 062024220002 Ротор 5-7 рабочих дней 13.998 р.
5 513040800006 Шайба 8 5-7 рабочих дней
6 513020800002 Шайба 8 5-7 рабочих дней
7 511080821001 Болт крепления ротора 5/16-210 5-7 рабочих дней
8 062024230010 Статор+ DC 5-7 рабочих дней 10.255 р.
9 029030101500 Защита статора 5-7 рабочих дней
10 511050613001 Болт М6х130 5-7 рабочих дней
11 029030430600 Крышка генератора сторона AVR 5-7 рабочих дней 2.065 р.
12 029910300215 Виброизолятор генератора 5-7 рабочих дней 180 р.
13 029030610201 Блок AVR 5-7 рабочих дней 1.410 р.
14 029030700200 Щетки 5-7 рабочих дней 161 р.
15 029030500101 Соединительная колодка 5-7 рабочих дней
16 029030300314 Крышка альтернатора 5-7 рабочих дней
17 029040400001 Глушитель 5-7 рабочих дней 2.228 р.
18 511050802001 Болт М8х20 5-7 рабочих дней
19 512040800001 Гайка М8 5-7 рабочих дней
20 180650065-0001 Прокладка глушителя 5-7 рабочих дней 33 р.
21 2011030013014 Бак топливный 5-7 рабочих дней 3.087 р.
22 029019900602 Фильтр вставка топливного бака 5-7 рабочих дней 51 р.
23 029019901102 Крышка топливного бака 5-7 рабочих дней 235 р.
24 029019930000 Указатель уровня топлива 5-7 рабочих дней 216 р.
25 029019910001 Амортизатор топливного бака 5-7 рабочих дней 162 р.
26 029019900408 Хомут шланга 5-7 рабочих дней
27 029019900100 Шланг топливный 5-7 рабочих дней 174 р.
28 029019900401 Хомут шланга 5-7 рабочих дней
29 1500018 Кран топливный 5-7 рабочих дней 140 р.
30 022100400001 Рама 5-7 рабочих дней 6.630 р.
31 029940100100 Панель глушителя 5-7 рабочих дней
32 029940100200 Кожух глушителя 5-7 рабочих дней
33 029930000801 Провод заземления 5-7 рабочих дней
34 029025500061 Панель управления 5-7 рабочих дней 4.400 р.
Найдено товаров: 34
1
▲ Наверх
0
8 (925) 663-83-63

Call-центр

пн-вс: 10:00-19:00

НАЙТИ ПО МОДЕЛИ
Введите номер заказа
Введите номер своего заказа, что бы узнать его текущий статус.
Что бы получить доступ к расширенным функциям, пройдите не сложную регистрацию. Зарегистрироваться